MatchcodeFR 502/4 N4A LG270 1,5KW-50HZArtikelnummer FV-FR5024 | ![]() |
|---|---|
| Produktgruppe | Radialventilator |
| Bauform | Standard oder ATEX |
| Ausführung | Ferrari Zentrifugal-Ventilator für saubere + leicht staubhaltige Luft |
| Bezeichnung | FR |
| Flügel-Baureihe | rückwärtsgekrümmte Schaufeln |
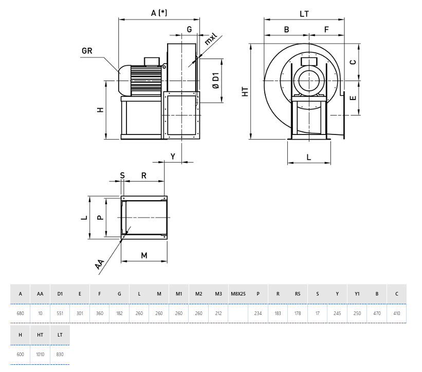
| Matchcode Ventilatorfamilie | FR 502/4 N4A |
| Flügel Durchmesser [cm] | 50 |
| Motortechnologie | AC/EC |
| Bemessungsspannung UN [V] UN [V] | 3~230/400 |
| Bemessungsfrequenz fN [Hz] | 50 / a.A. |
| Aufnahmeleistung P1 [kW] | 1,5 |
| Bemessungsstrom IN [A] | 3,77/2,17 |
| Bemessungsdrehzahl nN [min-1] | 1400 |
| Stromerhöhung Δ I [%] | |
| Ansteuerung Anlaufstrom IA [A] | |
| Betriebskondensator C400V [µF] | |
| Thermische Klasse | |
| Min. zulässige Fördermitteltemperatur [°C] | -20 |
| Max. zulässige Fördermitteltemperatur [°C] | 100 |
| Elektrischer Anschluss | |
| Schalldruckpegel LpA bzw. LwA [dB(A)] | 73-92 |
| Flügelanzahl | |
| Rotor | |
| Wandringplatte | |
| Konformität | ErP 2015 |
| Gewicht [kg] | 121 |
| Luftförderrichtung | |
| Bauform | mit Direktantrieb, einseitig saugend (einflutig) |
| Volumenstrom qv, max. (bei PsF = 0 Pa) [m³/h] | 7700 |
| Max. Druck PsF [Pa] | 690 |
| Volumenstrom qv [m³/h] (bei max. PsF [Pa]) | 4300 |
![]() | |
| Leistungsdaten | Effizienz 85% |

| location_on | Ventos Lüftungstechnik GmbH Osterheide 10 49124 Georgsmarienhütte Deutschland |
| phone link | 05401 40210 05401 45598 info@ventos.de www.ventos.de |
| link | https://www.ventos.de/axialventilator?pid=300 |